9死1伤,坍塌前一层承重墙连续被拆除!9人被采取刑事强制措施!调查报告出炉
1月31日,哈尔滨市应急管理局公布《哈尔滨市道里区哈尔滨市玉手食品有限责任公司库房“8·4”较大坍塌事故调查报告》。事故调查组认定,此次事故是一起较大生产安全责任事故。
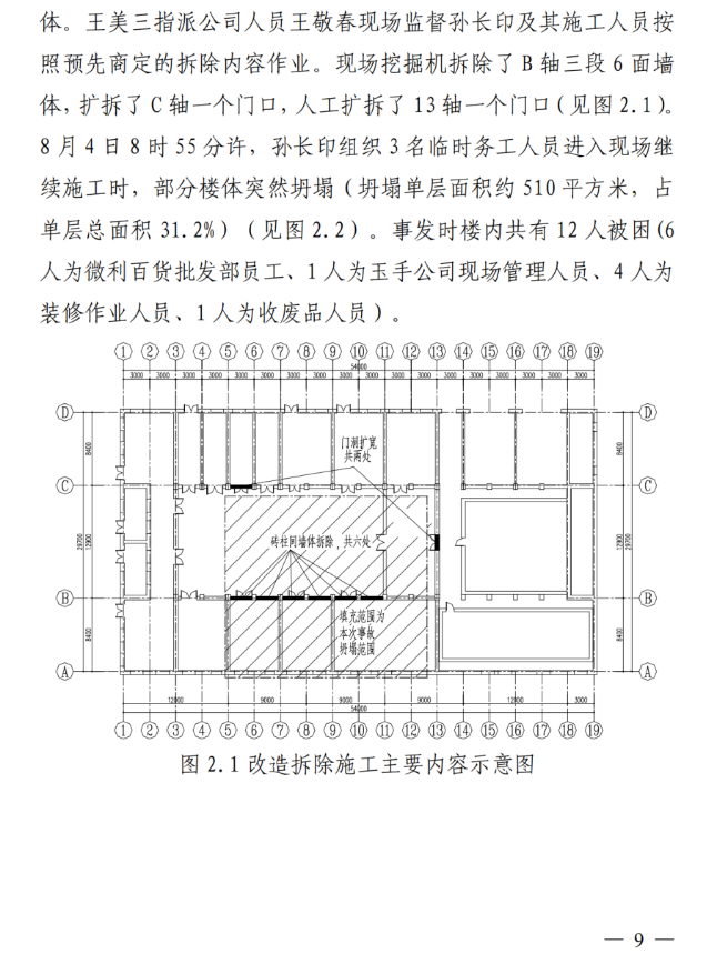
2020年8月4日8时55分许,位于哈尔滨市道里区城安街3号的哈尔滨市玉手食品有限责任公司库房部分楼体坍塌,造成9人死亡,1人受伤,直接经济损失2602.28万元。

《调查报告》显示,事故发生前,对该房屋一层承重墙体实施连续拆除作业,导致受压承载力严重不足引起破坏,是导致该房屋结构发生局部坍塌的主要原因。
此外,该房屋拆改前的接建不合理、不合规,已存在较大的安全隐患,是导致该房屋瞬时局部坍塌的次要原因。

哈尔滨市玉手食品有限责任公司违法违规改扩建。在未取得建设工程规划许可证,未组织勘察、设计,未将施工图设计文件报送施工图审查机构审查,未办理工程质量监督和安全监督手续,未取得建筑工程施工许可证等情况下,将工程非法发包给个人,违法组织建筑施工活动。该违法建筑不符合规范要求,未经竣工验收备案即投入使用。 承租方孙晓秋违法违规组织装修施工。 施工方孙长印违法组织装修施工。 挖掘机所有人董某某和挖掘机司机贺某某违法拆除墙体。 邓某某、于某非法承揽建设工程。 施工方张某某、于某某违法施工建设。

《调查报告》显示,玉手公司参与确定拆除改作业内容并负责装修作业现场监督管理人员王敬春、违法承揽装修工程负责人孙长印,涉嫌重大责任事故罪犯罪,鉴于其在事故中死亡,免予追究刑事责任。公安机关已采取刑事强制措施人员共9人 ,给予党纪、政务处分和组织处理人员共25人。

























